CSV File Exportation
File exportation is possible by using Python language.
In this way this python script example helps to understand how to export any csv files from results obtained by running a SIMBA circuit (.jsimba).
It can be useful when we want to compare several results obtained from external measurements or if several data parameters need to be analyzed carefully between simulation and reality.
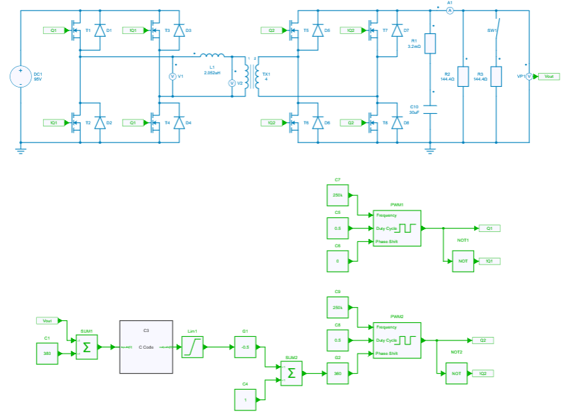
The power converter topology used for this example is the Dual Active Bridge (DAB) from the SIMBA collection of the design examples.
SIMBA circuit
Below the DAB power converter designed and simulated inside SIMBA Desktop.

Python Script
The Python script used for showing csv exportation will do the following tasks:
- simulate the transient behavior of a DAB converter (created with SIMBA Desktop) and get ouput voltage (accross R_2 resistor)
- create a csv file named Output_voltage.csv by opening it in w mode (for writing purpose)
- export time and output voltage (V_{out} = V_{R_2}) into the csv file
- plot the output voltage by using matplotlib module
Once the csv file is ready, it will contain all the datas (time and output voltage values) needed.
Conclusion
Below the result of the output voltage once the simulation is over through SIMBA Desktop

As we can see, the last value of the signal is equal to 380.005 V.
If we compare this plot with the datas exported into the csv file Output_voltage.csv created, you'll observe the same result:

Both output voltages are close to 380V at t = 0.2 s